日期:2025-09-26~2030-09-30
城市:济宁市
地址:山东省济宁市任城区
展馆:山东东达机电
主办:山东东达机电
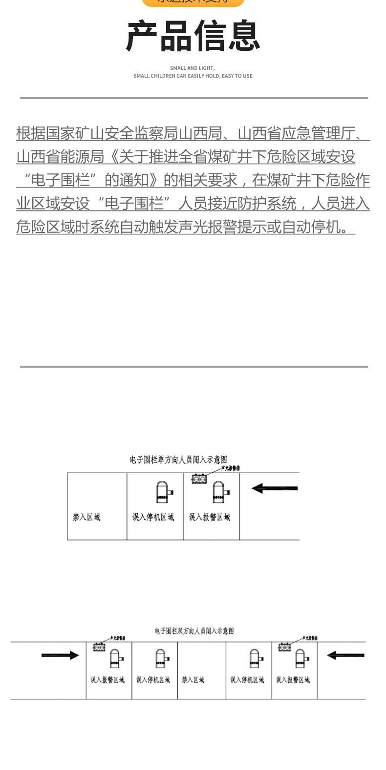
井下采煤机电子围栏 按需生产 移动设备UWB人员定位电子围栏
2025-09-26 09:55 浏览:27
井下采煤机电子围栏厂家 按需生产 移动设备UWB人员定位电子围栏
山东东达机电高经理欢迎您的来电18053725291微信同号
山东东达机电高经理欢迎您的来电18053725291微信同号










联系方式